Paso 3: Hacer el regulador de voltaje


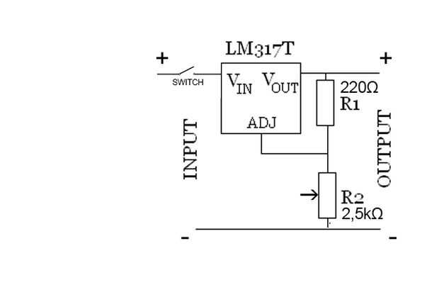
Ahora es el momento para hacer un regulador de voltaje. Sólo tienes que seguir el diagrama sobre la imagen, es un circuito relativamente simple. Las imágenes deben hablar por sí mismos y debe poder sacar éste sin ayuda. Puede utilizar el protoboard para probar el circuito antes de montar. Si usted tiene alguna pregunta acerca de esto, sólo los post en los comentarios y voy a intentar contestarlas lo antes posible.
Cuando se monta el circuito, conectar al adaptador de poder y use el voltímetro para medir la tensión de salida. Se deben tomar los valores entre 1.25V cuando el bote está ajustado a 0 y alrededor de 16V cuando se gira completamente. Ahora puede conectar el ventilador para probarlo. Debe acelerar y frenar cuando estás girando el bote.