Paso 2: El concepto

NE555 es el más genérico de todos los temporizadores. Su gama de la fuente es de 5V a 15V (que son cómodos con 9V..). Su corriente de salida de hoja de datos trata de 200mA que es suficiente para conducir los 20 LED de mina...
Utilizando un circuito externo acoplado puede utilizarse para decidir el tiempo de que un determinado pin va alta o baja (esto es llamados Timimg).
La tasa de carga y descarga están determinados por el circuito RC.
Para calcular su propia costumbre de distribución que está sujeto a la disponibilidad de componentes -http://www.ohmslawcalculator.com/555_astable.php
El temporizador funciona en el modo Astable en nuestro proyecto (para saber más sobre esto-)
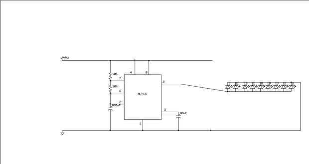
Ahora el circuito-
Los LED se conectan en paralelo (por lo que una manzana no estropea la canasta) que facilita las conexiones.
Sugiero que por favor pre-prototipo del circuito en un protoboard y luego realizar hacia los siguientes pasos (agrega a la parte de motivación)