(9) nueva actualización 20/08/15 orientadas en Energía Solar Portable de la emergencia (vea el paso 10) (4 / 10 paso)

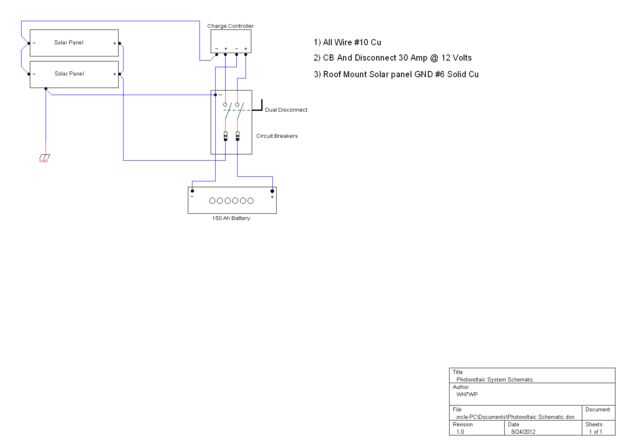
Paso 4: cableado

Todo alambre #12 trenzado de Cu para paneles a controlador de carga.
Alambre de tierra Cu sólido #6
Plaza había ' caja de desconexión
Plaza había ' caja de cortacircuitos
Interruptor de circuito de 8 amp para paneles solares
Disyuntor de 30 amp para controlador de carga

Artículos Relacionados

Reloj de Redstone en Nueva actualización mcpe

Reloj de Redstone en Nueva actualización mcpe

aquí está cómo hacer tu propio redstone del reloj en la nueva actualización del MCPENecesitarás:1 polvo de redstone4 antorchas de redstonea 5 cuadras de la opciónPaso 1: Añadir antorchas Coloque el bloque de opción, a continuación, añadir antorchas d
¿Sabías que con la nueva actualización de firmware 1.9 Kobo Kobo WiFi obtiene tres nuevas funciones para administrar su librería de kobo eReader?

¿Sabías que con la nueva actualización de firmware 1.9 Kobo Kobo WiFi obtiene tres nuevas funciones para administrar su librería de kobo eReader?

Con la nueva actualización de firmware 1.9 Kobo para el eReader Kobo Wifi, hay tres nuevas características que le permiten manejar mejor tu biblioteca de Kobo eReader.  Estas características pueden ser fácilmente accesibles desde la biblioteca "Estoy
Nueva actualización de la máquina de la bola de K'nex 1

Nueva actualización de la máquina de la bola de K'nex 1

Hola a todos esto es una actualización en mi nueva máquina de la bola. Por el momento tiene 3 clientes de los 14 senderos completado pero el edificio ha detenido momentáneamente debido a la falta de piezas ;) Estas fotos muestran su desarrollo durant
Nueva actualización de escritorio

Nueva actualización de escritorio

perdón por la falta de ibles ser empujado hacia fuera de este mes. (internet está en el fritz, maldito RCN)que pocas semanas hace sobrealimentado mi PC tengo un disco duro nuevo 37 gig y nueva tarjeta de sonido, usb extender, cosa de telefonía tambié
Minecraft truco Abisal de PE (nueva actualización)

Minecraft truco Abisal de PE (nueva actualización)

en este instructable te diré cómo llegar fácilmente a la abisalPaso 1: Hacer la torre infernal en creativa Instructible para esto se llama 'Torre infernal de Minecraft Pe'Paso 2: Cambiar a la supervivencia Volver a su registro de mundo y pulse el ico
NUEVA batería para antiguo Banco de la energía

NUEVA batería para antiguo Banco de la energía

amigos de Hi... Este es mi primer instructables, lo siento por mi inglés. Soy de Indonesia y encanta ver muchos DIY de instructables para años. Tengo más tiempo recientemente para comenzar mirando a su alrededor y haciendo algunos.Me gusta sobre el r
Estación de energía Solar portátil

Estación de energía Solar portátil

Estación de energía solar portable o de emergencia. Estadísticas: 120W (95? max hasta ahora), 12V 80Ah AGM batería solar, MPPT controlador de carga solar, inversor de 400W (utiliza 0.8 A cuando en), 3 ventiladores de refrigeración (en/hacia fuera del
Mi calentador Garage respetuoso del medio ambiente: Un neumático colector termal Solar

Mi calentador Garage respetuoso del medio ambiente: Un neumático colector termal Solar

Este instructable cubrirá la construcción de mi colector termal solar de 72 pies cuadrados que aprovecha la energía del sol para proporcionar la calefacción de espacio de tiempo de invierno para mi taller de garaje individual. La parte funcional del
Hacer su bicicleta '' inteligente y verde '' para un último paseo

Hacer su bicicleta '' inteligente y verde '' para un último paseo

En este instructable te voy a mostrar como hacer algunos aparatos electrónicos útiles para tu moto. El instructivo contiene un banco de energía solar con una capacidad de 7000mAh muy alta que puede ser recargada con una estructura de panel solar de 5
Cómo sobrevivir a 2012

Cómo sobrevivir a 2012

sé que hay un montón de gente ahí fuera que creen que 2012 no es el final de la vida como la conocemos. Para aquellos de ustedes que les gustaría estar preparado si las cosas salen mal, entonces has venido al lugar correcto. Te doy a una guía detalla
Generador Solar Seebeck Portatil

Generador Solar Seebeck Portatil

Hola a todos! Aquí mi la cartilla Instructable. Invertido en él mucho tiempo y esfuerzo intentando hacerlo útil, comprensible y ordenado. Espero os guste!De trata un intento de en principio del se producir útil de eléctrica energía a partir de la ene
Arduino y frambuesa Pi: construcción de sistemas confiables con contadores de tiempo del perro guardián

Arduino y frambuesa Pi: construcción de sistemas confiables con contadores de tiempo del perro guardián

Resumen: En este Instructable veremos cómo construir más confiables sistemas informáticos utilizando contadores de tiempo del perro guardián. Mostramos cómo configurar y utilizar el Raspberry Pi y temporizadores de control interno de Arduino. También
Detector sin hilos accionado solar de marca Dixon

Detector sin hilos accionado solar de marca Dixon

como parte del Festival de cultura DIgital de velocidad, artista marca Dixon ha desarrollado una versión accionada solar de la red, su obra detector sin hilos, como en el taller en línea de instructables y locura. Una gran variedad de estos dispositi
Estación móvil de energía Solar

Estación móvil de energía Solar

Este instructivo detalla cómo he añadido un sistema de batería y 280 vatios panel solar a mi minivan Chrysler ciudad y país.Si usted quiere estar preparado para el próximo desastre o Zombie Apocalypse, necesidad de electricidad para una choza de la r