Paso 4: Diseño de bisagra




Todas las referencias que vieron cuando emprender esta aventura tampoco compró gafas individuales bisagras o desgarró Marcos baratos para sacarlos. Consideré esta ruta pero no recurrir a mí por varias razones. Uno, él participan compras algo o destruir algo que no estaba planeando que hacer en este proyecto, que significa destrucción extra cost o adicional. Dos, sentía mal hacer todo este trabajo para conseguir madera lentes entonces palmada en algunos bisagra plástica o metálica. ¿Quería intentar hacer unas bisagras de madera porque la fuerza podría ser correcto? No es como todos caseros y almacenar Marcos comprados no utilizan bisagras de madera.
También fue una aprendizaje/entrada en lo que espero fue algunas variantes de este proyecto, así que quería aprender mucho de este primer par como sea posible.
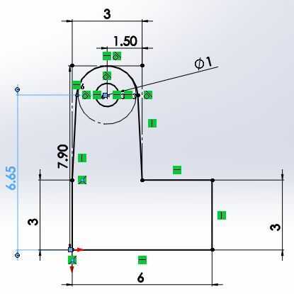
La idea era tener un corte en el marco posterior del sándwich en la pieza central de la bisagra y en los brazos tiene las piezas superior e inferior. Estas piezas se reduciría por separado entonces madera pegado en la cavidad respectiva allí. Después se armaron un pin se ha caído al lugar para mantenerlos juntos.
Esto es probablemente un buen momento hablar de madera gruesos. Originalmente tenía la intención de obtener el láser brazos y marcos de madera contrachapada de 1 mm. Esto significa que el espesor total de marco ~ 3 m m y los brazos sería 1mm o 2mm dependiendo si quería doblarse o no. Lamentablemente vi que Ponoko tenía a contrachapado de bambú como madera contrachapada regular. Esto probó demasiado tentador ignorar, gafas de sol madera bambú... por $5, inaudito. La captura fue que el bambú era 3mm de espesor, que significa que los marcos son de 9mm de espesor.
La boca del mayor espesor de material es que las bisagras que hizo más simple. Si hubiera ido con una capa de 1-2 mm hubiera tenido que doblar las piezas de la bisagra para que sean lo suficientemente fuertes. Como era que tenía dos piezas idénticas en el brazo y una pieza en el bastidor del respaldo. Era un diseño simple que terminó funcionando bastante bien.