Paso 4: prueba



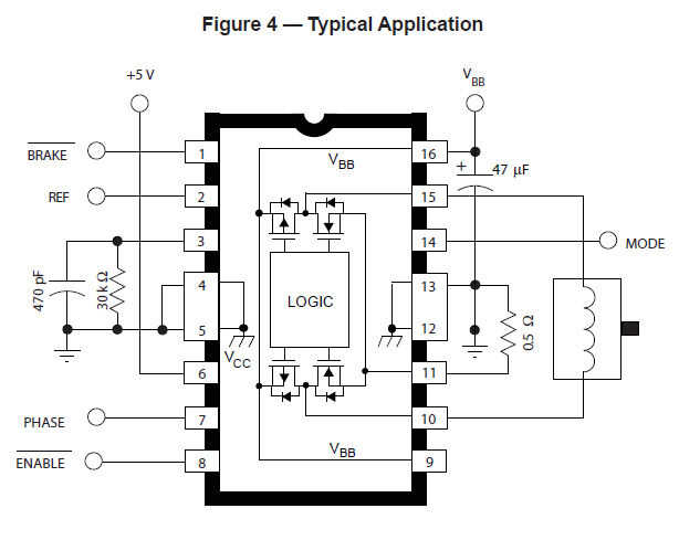
Para probar mi diseño que utiliza Arduino uno y el A4973 completo Motor controlador de puente.
Este controlador de motor es un poco excesivo para esta bobina y un puente H simple podría funcionar también.
El cableado para el conductor del motor está disponible por encima de
Usando Arduino simplemente genera una salida alterna a la bobina del pulso y mover el pin (ver código)