Paso 1: El dibujo

- El primer paso es medir el cable USB. Necesita saber el tamaño de la tapa negra, donde se colocará la decoración.
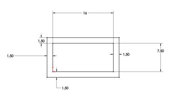
Medí una anchura de 15 mm y una altura de 7 mm. La longitud difiere por cable, algunos son más largos que otros.
He añadido algo de espacio como tolerancia para asegurarse de que la decoración no será demasiado apretada, resultando en un cuadrado de 7, 5 x 16 mm
- A continuación, debe establecer el espesor de la pared. Elegí a 1,5 mm desde la mayoría de las impresoras 3D y materiales pueden manejar esto. También no quiero hacer esto mucho más grueso, ya el uso excesivo de materiales. Y no olvidar: la decoración no debe interferir con el espacio necesario para el cable USB al lado del decorado.
- En este ejemplo, el dibujo hecho en Solidworks. También pueden utilizar herramientas gratuitas como Google SketchUp o Tinkercad.













