Paso 1: Elección de la escala y Material

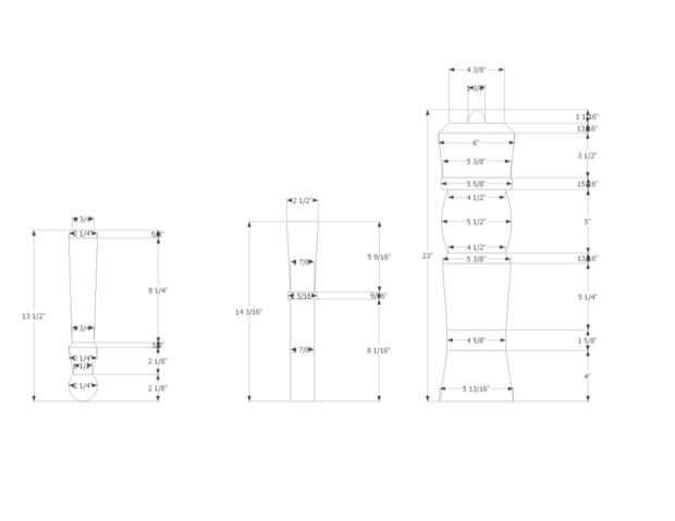
La primera cosa a hacer cuando algo grande de algo pequeño, es tomar las medidas exactas y escala para arriba. Usé un conjunto de pinzas de fraccionarios para tomar medidas precisas a 1/32 pulg. Tomé las medidas y dibujó una escala de dibujo con una de mis herramientas preferidas, Sketchup.
Una vez que el dibujo en Sketchup, escalamiento para arriba era bastante fácil. Simplemente utilice la herramienta de escala para arrastrar el cascanueces hasta el tamaño que desee. Escalado hasta poco más de 36 pulgadas. Cuando lo hice, encontré que el cascanueces era más ancho que lo que quería. Fue alrededor de 8 pulgadas de ancho. Lo más cerca quería 6 pulgadas, así que lo había adelgazado utilizando los puntos de anclaje laterales en la herramienta escala.
Luego utilicé la herramienta dimensión poner cotas en el dibujo en cada punto que era razonable. Me di cuenta de que algunas de las dimensiones medición con una precisión de 1/64". Los ajusté para que la dimensión más exacta que tuve que medir al mismo tiempo que el cascanueces era 1/16".
Se puede ver el producto final de este esfuerzo en el dibujo adjunto.