Paso 4: Construir el programador


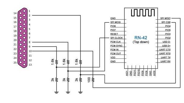
Para que el chip comunicar con nuestro PC, tendremos que conectar los pines SPI en estos pines del puerto paralelo.
Necesario usaremos unas resistencias para crear divisores de tensión que se retirará de los niveles de transmisión de 5v del puerto paralelo a la viruta 3.3v niveles.
El pin MISO transmitirá para el puerto paralelo a 3,3 v, que todavía reconoce el PC.
Simplemente vamos a añadir una resistencia de 100 ohm aquí para evitar que el módulo se sobrecargue.
También necesitaremos un 3.3v externa la fuente de energía para alimentar el chip.













