22 circuitos de electrónica básica hecha con Electra-educación electrónica modular KIT (9 / 23 paso)

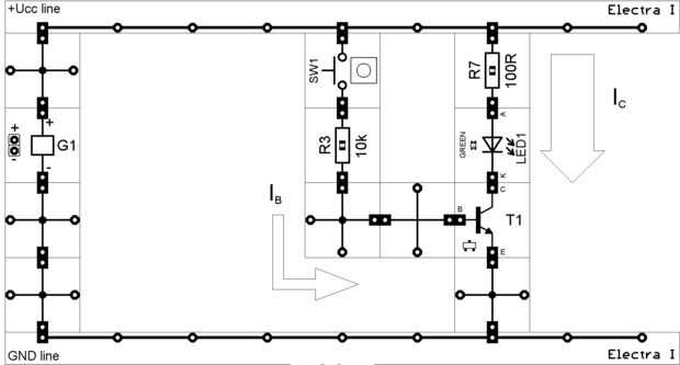
Paso 9: Lección #8 - circuito con transistor NPN

En este circuito puede explicar la función de Transitor NPN.

Artículos Relacionados

Lapicera hecha con envoltura

Lapicera hecha con envoltura

Lapicera hecha con una envoltura mas pequeña de frituras, practica y util
Cómo obtener música gratis con Realplayer

Cómo obtener música gratis con Realplayer

cómo obtener música gratis con Realplayer.Paso 1: herramientasSe necesita:1. conexión a Internet (duh)2: RealplayerPaso 2: descarga Descargar RealplayerPaso 3: instalar Instalar realplayer hasta llegar a la página de Realplayer real.Paso 4: www.playl
Alfombra ovalada de trapo (hecha con un ganchillo grande)

Alfombra ovalada de trapo (hecha con un ganchillo grande)

Hola! Este es mi primer post!Se trata de una alfombra de trapo hecha con un ganchillo de 1.5 cm. Usted puede encontrar diferentes tipos de ropa en ella: camiseta, bufanda, vestido, pantalón, suéter y hojas incluso y cortina. Mi elección de la tela es
Esquema de puente de onda completa rectificador con diodos del circuito de electrónica básica.

Esquema de puente de onda completa rectificador con diodos del circuito de electrónica básica.

Este video es una forma sencilla de crear un diagrama esquemático para el circuito de rectificador de puente de onda completa mediante una plataforma online gratuita llamada "www.digikey.com", uso eléctrico y fuente de voltaje de entrada de viz.
Rompecabezas de madera electrónica Modular Prototyping Board

Rompecabezas de madera electrónica Modular Prototyping Board

No tengo suficiente espacio en la placa de prototipado que vino con mi kit de iniciación de Arduino... así que decidí hacer uno nuevo. Es modular, para no tener que usar todas las partes todo el tiempo, tiene un módulo para el Arduino Uno y uno para
Máquina sonora Matrix: música generativa con un sistema de partículas

Máquina sonora Matrix: música generativa con un sistema de partículas

este proyecto es parte de experimentos realizado mientras se hace un artista en residencia en Instructables. Puedes ver los proyectos aquí.Me fascina crear patrones emergentes que pueden convertirse en sonidos. Así que esta es mi primera experiencia
Termómetro de estampilla básica simple (con una parte!)

Termómetro de estampilla básica simple (con una parte!)

Has siempre se pregunta ¿cómo simple trabajo de termómetros? ¿Usted también alguna vez se preguntó cómo los semiconductores trabajan a diferentes temperaturas? Entonces esta es la guía para usted!Lo que se necesita:1. basic Stamp (estoy usando el tab
DIY bombo Pedal para bricolaje electrónico tambor Kit Rock Band fijar

DIY bombo Pedal para bricolaje electrónico tambor Kit Rock Band fijar

este es mi primer instructable así que agradable!Esta preciosa voluntad decirte cómo crear su propio pedal de bombo/bombo le kit de batería electrónica DIY (mina muy pronto!) hack de pad o como una solución para el pedal de la banda de rock (no proba
Base de soldadura de hierro (hecha con una lata de sardinas)

Base de soldadura de hierro (hecha con una lata de sardinas)

(Si te gusta este proyecto, sus votos son muy apreciados. ¡ Gracias!)Hola a todos! Soy nuevo en la acción! Después de toda la emoción de trabajar en una fábrica de chalecos antibalas y pasando posteriormente a Azerbaiyán y a casar a mi bella novia Pa
Prótesis hechas con materiales comunes del hogar

Prótesis hechas con materiales comunes del hogar

en países del tercer mundo, es difícil conseguir buena o decentes incluso materiales médicos. ¿Qué pasa si usted ha sido herido en un terrible accidente donde pierde una pierna? Es bien que se vende tu casa o tienes que ser atado a una silla de rueda
Varita de multicolor, hecha con barro secado al aire

Varita de multicolor, hecha con barro secado al aire

Ser fans de Harry Potter, mis hijos querían tener algunas varitas propias para jugar con.Hay algunos fantásticos instructables para Harry Potter varitas de este sitio - unas que iluminan y otras que están intrincadamente talladas en madera. Pero dada
Amor cerradura hecha con una impresora 3D

Amor cerradura hecha con una impresora 3D

en Colonia tenemos una nueva tradición, los amantes de colgar un candado en el puente de Hohenzollern. Encerrados y tiro la llave en el río Rin.Este es un símbolo, que los amantes pertenece para siempre juntos y no puede ser separada.Así que hemos pe
Música disco con LinkIt uno

Música disco con LinkIt uno

Ahora que tienes tu LinkIt una tabla de desarrollo, ¿qué puede hacer con él?Para empezar, la oferta de conectividad que vienen con esta placa es increíblemente diversa, así que ¿por qué no hacer algo que puede disfrutar de una comunidad? En este Inst
Tarjeta de bigote (hecha con prensa de sello de espuma).

Tarjeta de bigote (hecha con prensa de sello de espuma).

hice esta tarjeta con una sello de espuma hecha en casa/prensa.Ver cómo lo hice aquí: