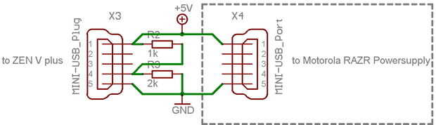
100% trabajo USB adaptador de carga para creative ZEN V plus Reproductor MP3 (3 / 5 paso)

Paso 3: Segunda versión que trabaja: (yo no lo he probado, se trata de un adaptador universal de la serie ZEN V)

La segunda versión utiliza 2 resistencias de 1 kOhm y 2kOhm!

En este esquema usted puede ver, cómo se conectan las resistencias de ambos:

Artículos Relacionados

Solución rápida para el ZEN V / PLUS joystick

Solución rápida para el ZEN V / PLUS joystick

de alguna manera rompió la palanca de mando en mi V/PLUS de Zen. Así que busqué una solución y no encontraron nada pero un Instructable para desmontarlo (encontrado aquí). Después de desarmarla me corte un trozo del tubo de tinta de una pluma de tint
Construcción de un Micro USB-USB-entrada/salida Conector para Solar LED teléfono cargador emergencia manivela de DINÁMO

Construcción de un Micro USB-USB-entrada/salida Conector para Solar LED teléfono cargador emergencia manivela de DINÁMO

este proyecto es un complemento para el instructable 'aumento de la capacidad de la batería de Solar LED linterna cargador emergencia dínamo manivela', para permitir que usted carga un celular moderno y otros periféricos de.Estaremos convirtiendo el
14 x USB hub de carga!

14 x USB hub de carga!

les presento a un hub de carga 14 x USB!Puede cargar hasta 14 dispositivos dependientes de la usb a la vez y le mostrará cómo hacer uno! No es todo tan difícil de hacer y ha demostrado para ser una estructura muy bonita.¿Por qué hacen?Tengo un poco d
Energía Solar de la batería 12V pequeña plataforma de carga para una caravana o autocaravana

Energía Solar de la batería 12V pequeña plataforma de carga para una caravana o autocaravana

Si estás leyendo esto, entonces por razones de lo que sólo puede ser curiosidad o estupidez, ha decidido que quiere tener un ir a la construcción de su propia plataforma solar DIY para complementar su caravana, autocaravana, furgoneta o instalación c
Cómo instalar resistencias de carga para luces LED intermitentes

Cómo instalar resistencias de carga para luces LED intermitentes

¿Por qué son instalar resistencias de carga necesario para el LED enciende luces de señal? Si no instale resistores reguladores de carga (también conocido como ecualizadores) con bombillas de intermitentes de LED, usted experimentará el tema flash hy
Última consola clásico Joystick a USB adaptador de

Última consola clásico Joystick a USB adaptador de

Este artículo describe cómo utilizar un Arduino Leonardo o el Arduino Micro para realizar hasta tres joysticks consola clásica (por ejemplo Atari 2600, ColecoVision y posiblemente otros) disponible en un ordenador moderno (por ejemplo, Windows PC, Ma
Hacer tu propio USB adaptadores

Hacer tu propio USB adaptadores

siento que no puedo encontrar nunca el cable correcto para el dispositivo que estoy usando. He recogido unos adaptadores y cargadores, pero no eran lo suficientemente universales como para mis necesidades. He decidido modificar y combinar para hacer
Estación de carga para dispositivos electrónicos

Estación de carga para dispositivos electrónicos

Mi familia tiene una variedad de dispositivos electrónicos que necesitan recarga constante.En el pasado, siempre fuimos perdiendo la verrugas de pared y cables y persiguiendo por la casa para el conjunto adecuado cargar la unidad que necesita para ca
Adaptador de 10VAC para Mindstorms RCX de LEGO

Adaptador de 10VAC para Mindstorms RCX de LEGO

LEGO utiliza corriente 9-12V para algunas partes de mindstorms vieja como:Ladrillo inteligente RCX 1.0Batería de LiPo de NXT 1.0 (uno gris oscuro)He comprado un conjunto RCX de segunda mano y una batería de LiPo de NXT de modelo viejo. Ambos necesita
Deslizador de plataforma de área de carga para SUV, carro, carro de la estación

Deslizador de plataforma de área de carga para SUV, carro, carro de la estación

quería ser capaz de extraer la "cama" de mi zona de carga en mi Tahoe de Chevy. Sobre todo quería una superficie de trabajo (que se inclina sobre el parachoques estaba matando a mi espalda), pero esto debe facilitar el acceso a artículos guardad
Cómo - usar tu Laptop como un adaptador inalámbrico para Xbox 360

Cómo - usar tu Laptop como un adaptador inalámbrico para Xbox 360

adaptadores Wireless están escandalosamente caros para algo que puedo enseñarte cómo hacerlo con lo que tienes. Este truco puede ahorrarle $100 en el adaptador inalámbrico oficial que Microsoft vende con avidez en las tiendas. Para aquellos de ustede
Barato 5.1 usb tarjeta de sonido para mac

Barato 5.1 usb tarjeta de sonido para mac

Bienvenidos a mi primer instructivo!¿Por qué?Siempre he tenido equipos con windows con tarjetas de sonido 5,1. Por lo tanto la configuración que lo he puesto en mi habitación también es un sistema de 5.1 altavoces. Tiene tres conectores de audio de 3
TODO tipo de pestañas, móviles, centro de carga para coches

TODO tipo de pestañas, móviles, centro de carga para coches

siempre que viajes que necesite un cargador y un puerto de carga, hoy te ENSEÑARÉ cómo hacer un centro de carga para el coche.Paso 1:COSAS PARA EL PROYECTO:-1. MADRE JUNTA MODELO NO - XY03602. USB PUERTOS (4)3. SOLDADOR4. EL ALAMBREPaso 2: EN PRIMER
Barato adaptador de corriente para mi cámara Digital

Barato adaptador de corriente para mi cámara Digital

este es mi Kodak z710 (7,1 MP) cámara. La mayor parte de sus deberes implica tomar fotos para mi Instructables, y realmente no necesito la movilidad prevista por energía de la batería, por lo menos no la mayoría del tiempo. Las baterías son caras y m