Paso 2: El circuito de la soldadura



En primer lugar, colocar todas las piezas en la cubierta de plexiglás sobre que desee. Referencia a las fotos en el siguiente paso para ver donde coloqué mi interruptores, etc..
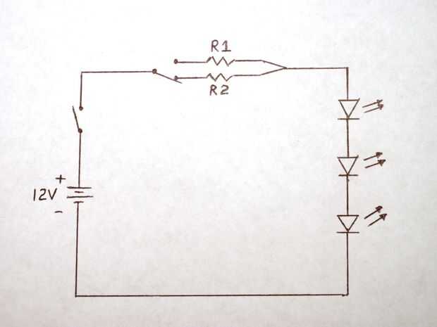
En segundo lugar, utilizando el esquema a continuación como referencia para ver qué partes necesitan cables conectarlos, cortar tiras de alambre para colocar y tira de los extremos del alambre. Esto es clave, consiguiendo sólo la longitud adecuada y no más - simplemente no hay espacio en la columna vertebral de este libro para cable extra. Hablar de conservación de la habitación, ver foto abajo para cómo os adjunto las resistencias directamente al interruptor. Un montón de conexiones será cerca uno del otro, pero eso está bien - en el siguiente paso será ser fijándolo para que no toquen nunca.
Tercero, usar mini pinzas para unir a todo mientras trabajo, cada conexión de la soldadura. Cuando haya terminado, va a parecer que acaba de crear el nido de la rata sobre la mesa (ver foto abajo). Antes de ir al siguiente paso de instalar el circuito en el diario, pop una batería en el soporte sólo para asegurarse de que todo funciona (ver para asegurarse de que ningunas conexiones tocan primero!)