(1.0) EVSE: Conversión de un nivel 1 (12AMP) a un nivel 2 (12 AMP) (echa un vistazo a 2.0) (4 / 8 paso)

Paso 4: Y sin embargo, más,,,

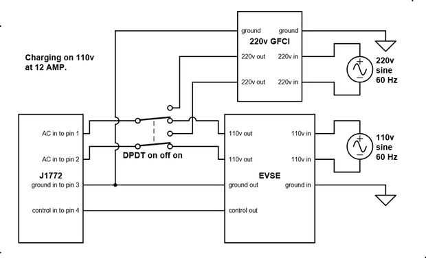
Conectar los cables blanco y negro de J1772 a las puntas del centro (común). Conecte los cables blanco y negro de los 220v a lado del GFCI a un extremo del interruptor. Todos los cables negros deben ser a un lado del interruptor y todos los cables blancos deben ser en el otro lado del interruptor.

Conecte los cables blanco y negro de los 110v de la EVSE a un extremo del interruptor. Todos los cables negros deben ser a un lado del interruptor y todos los cables blancos deben ser en el otro lado del interruptor.

Artículos Relacionados

EVSE nivel 1 a nivel 2 (2.0) (echa un vistazo a la 3.0)

EVSE nivel 1 a nivel 2 (2.0) (echa un vistazo a la 3.0)

mi intención con este diseño es hacer un cargador pequeño, sencillo, portátil de nivel 2 de un cargador de nivel 1 que también puede funcionar como un cargador de nivel 1, está totalmente automatizado y funciona con cualquier cargador (aunque los col
Cómo comprobar el aceite

Cómo comprobar el aceite

Comprobar el nivel de aceite en tu coche es algo que es tan rápido y fácil de hacer y puede ahorrar su coche un montón de miseria (y un montón de $$) cuando se hace sobre una base regular.Aunque los expertos recomiendan revisar el aceite 10 minutos d
(3.13) CONVERSIÓN de un cargador de cargador a un nivel 2 (12AMP) 2013 hoja nivel 1 (12AMP)

(3.13) CONVERSIÓN de un cargador de cargador a un nivel 2 (12AMP) 2013 hoja nivel 1 (12AMP)

mi intención con este diseño es hacer un cargador pequeño, sencillo, portátil de nivel 2 de un cargador de nivel 1 que todavía puede funcionar como un cargador de nivel 1. También quiero que ser automatizado usando lo EVSE como la unidad de control,
'Un Chip Spinning RGB POV de visualización' con software de conversión.

'Un Chip Spinning RGB POV de visualización' con software de conversión.

Si usted ha sido en la búsqueda de un proyecto que combina, RGB LED, un motor, un microcontrolador y una cantidad ridícula de fusión en caliente el pegamento, entonces sin duda usted ha venido al lugar correcto.Permítame presentarle la pantalla de la
Conversión de decimales a números binarios

Conversión de decimales a números binarios

IntroducciónEn el mundo de la informática, ordenadores utilizan números binarios para mostrar información a la pantalla. Entender cómo contar estos números en esencial para cualquier informático. También es un buen rasgo para alguien que está interes
Arduino Sensor ultrasónico de nivel de agua para máquinas de café Espresso

Arduino Sensor ultrasónico de nivel de agua para máquinas de café Espresso

Tengo una máquina de café espresso muy bueno pero bastante viejo con un depósito de agua extraíble, el problema es que no proporciona una advertencia de nivel bajo de agua, así que no sé tal nivel de antes de quedarse sin agua! O al menos sin abrir l
$6 conversión de luz Interior de LED 12V DC coche/barco/RV

$6 conversión de luz Interior de LED 12V DC coche/barco/RV

este instructable podría dar algunas ideas de cómo usted puede utilizar barato, fuera de la plataforma, luces de LED para convertir su coche, barco o RV, sistema de iluminación de interiores.  Por unos $5 USD, usted puede comprar lista para usar luz
Cómo crear un buen nivel de N

Cómo crear un buen nivel de N

N es un divertido juego basado en el ninja freeware por Metanet Software disponible aquí. N incluye un editor de niveles incorporado por lo que puede crear y compartir tus propios niveles con la ayuda de NUMA, el archivo de mapa de usuario de N.Un ni
Regulador automático del nivel del agua

Regulador automático del nivel del agua

¿Hola todos, están buscando para controlar automáticamente el nivel del agua del tanque es aquí el post para, como nivel de agua controlable automáticamente?Hay muchas maneras usando un sensor flotador para determinar el nivel de agua, o usando punta
Conversión de Micro Servos de rotación continua

Conversión de Micro Servos de rotación continua

Micro servos son dispositivos grandes perfectos para agregar movimiento a sus proyectos. A diferencia de los motores PAP, se pueden controlar directamente desde tu Arduino u otro microcontrolador favorito. Más servos están limitados a 180 grados de m
Nivel de luz de lectura sobre Internet a través de Arduino con Teleduino

Nivel de luz de lectura sobre Internet a través de Arduino con Teleduino

Lo hemos todo hecho. Salir de la casa para el trabajo en la mañana y pregunto si dejaste el luz de garaje. No desea preocuparse de él y luego en problemas con tu esposa/esposo/novia/novio/compañero de piso para registrar el proyecto de ley de energía
Construir un dragón corto (16 pies 3 - placa soporte vela canoa)

Construir un dragón corto (16 pies 3 - placa soporte vela canoa)

Nota: versión 4.0 12 de mayo de 2011: agregado paso 7 sobre una conversión de trimarán breve para el desafío de Everglades. Hablar más sobre la vela (y otras cosas) en mi blog, Tristram Shandy en el siglo 21, www.tristramshandy21st.blogspot.com - wtP
Construcción de una estufa de barril Simple

Construcción de una estufa de barril Simple

En este instructable les mostraré cómo hacer una muy simple y barata estufa de leña de un tambor de acero de 55 galones. Esto puede usarse en un garaje, granero de polo, taller, casa, cabaña o casa para el calor durante el invierno o un calentador de
Un Quadcopter de gato muerto SK450 para llamar a su propia

Un Quadcopter de gato muerto SK450 para llamar a su propia

Antes de empezar, solo quiero que la primera frase de este Instructable para hacerle saber que hay no hay gatos muertos involucrados en la fabricación de lo quadcopter descrito en los pasos próximos. La razón que el título de este Instructable contie